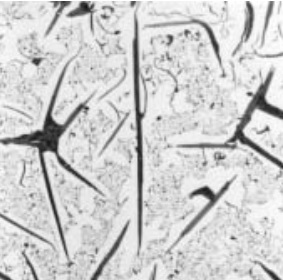
FontA cu grafIt lamelar
Caracteristici: Bune proprietati de turnare, contractie la solidificare mai mica decat a otelurilor, fluiditate ridicata, care permite realizarea de piese cu pereti subtiri, forme complexe...
Caracteristici: Bune proprietati de turnare, contractie la solidificare mai mica decat a otelurilor, fluiditate ridicata, care permite realizarea de piese cu pereti subtiri, forme complexe...
Fontele nodulare se folosesc la fabricarea organelor de masini supuse la oboseala, la uzare si la socuri puternice, cum sunt: roti dintate, piese pentru motoare si masini agricole, corpuri si capace de prese hidraulice, ...
Folosirea aluminiului ca material pentru constructii mecanice este limitata din cauza proprietatilor de rezistenta scazute. Totusi, o serie dintre proprietatile aluminiului fac ca acest metal sa fie deosebit de apreciat...
Tip productie: unicate, serie mica si mijlocie piese turnate de orice complexitate.
Aliaje turnate: Fonta cenusie, Fonta cu grafit nodular, Fonta refractara, Aliaje de aluminiu, Aliaje de cupru etc...
Servicii: Proiectare, Formare/Turnare, Tratamente termice, Analize fizico-mecanice, Sablare/Curatire, Asamblare, Vopsire etc.